0571-64618808
杭州金年会阀门有限公司

科技突破未来 品质创造价值

首页 产品中心 工业阀门系统 止回阀

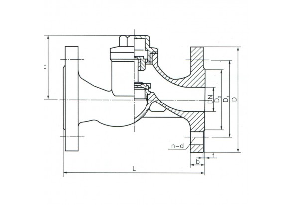
法兰升降式旋启式止回阀

产品概述:

法兰升降式止回阀适用于公称压力PN1.6~6.4MPa,工作温度-29~550℃的石油、化工、火力电站等各种工况的管路上。适用介质为:水、油品、蒸汽等。不宜用于含有固体颗粒和粘度较大的介质


咨询我们
  • 技术参数
  • 外型尺寸
  • 零件材料
  • 下载中心
  • 1610528629(1).jpg


  • 1610528655(1).jpg


  • 1610528607(1).jpg