0571-64618808
杭州金年会阀门有限公司

科技突破未来 品质创造价值

首页 产品中心 工业阀门系统 止回阀

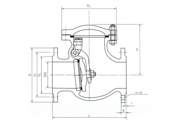
H44H/W/Y法兰连接钢制旋启式止回阀

产品概述:

H44H、H44W、H44Y旋启式止回阀是指依靠介质本身流动而自动开、闭阀瓣,用来防止介质倒流的阀门,又称逆止阀、单向阀、逆流阀、和背压阀。止回阀属于一种自动阀门,其主要作用是防止介质倒流、防止泵及驱动电动机反转,以及容器介质的泄放。


咨询我们
  • 技术参数
  • 外型尺寸
  • 零件材料
  • 下载中心
  • 1610528720(1).jpg


  • 1610528847(1).jpg

    1610528821.jpg


  • 3299406a357e1253e5faf844a9f29251.jpg